|
|
|
|
| 聯系名舞臺 |
 |
深圳公司地址:深圳市福田區振華路45號汽車大廈618
手機:13823516468
客服QQ:138866318
E-mail:mwtaudio@163.com |
|
|
|
|
|
| 音響工程中話筒線高頻衰減效應實測對比 |
| 發布時間:2017-5-14 13:54:30 |
|
瀏覽次數:
次 |
|
|
| |
| |
在專業音響系統的構建中,用戶或投資人對于音響設備的挑選都會非常謹慎,但是音頻線材作為系統中信號傳輸的載體,卻是相對容易被輕視的環節。本文通過電路原理和線材實測對比來說明,話筒線的線間電容是如何影響音頻信號傳輸質量的。同時也通過計算和實測來說明,音頻信號傳輸中,設備的阻抗是如何影響傳輸的質量,這是另一個常常被忽略或者誤解的問題。
電路原理與電路模型
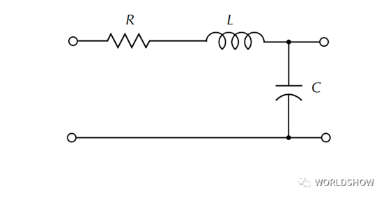
所有電子信號傳輸都是使用一對導線通過電磁波的傳播方式進行的,其中導線起到一個作為相關電場和磁場的約束作用。沿著導線傳輸路徑的某些特定位置,在導線之間的空間中存在著電場,我們可以求得在特定時刻、特定位置上導線之間的電位差。同樣,導線表面存在著磁場,我們可以求得特定時刻、特定位置的導體中感應電流的大小。當我們討論音頻設備之間傳輸模擬音頻信號的線纜時,電路的尺寸大小通常遠小于信號波長,因而簡化的集總電路元件分析將適用于這種電路。模擬音頻信號線的集總電路模型如下:

圖1:模擬音頻信號傳輸線纜的集總參數電路模型
圖中,R表示所有導線的總串聯電阻,可以通過萬能表測量獲得,L表示所有導線的總串聯電感,C表示的是總并聯電容,其中包括了可能存在的屏蔽效應。這個電路模型忽略了與電容并聯的分流電導作用,這是由于在現實系統中的音頻線纜長度中,分流電導很小,可以忽略不計。在給定的輸出設備內阻和負載阻抗的條件下,通過常規電路分析法即可計算出頻率衰減特性。這時線纜的高頻-3 dB衰減頻率可以通過下式計算:

其中,R為電路總電阻,C為電路總的等效電容。
模型驗證:在AP515測試儀中,將輸出端阻抗設置為為100Ω,輸入端阻抗設置為200 kΩ,用一條長度為0.5m的信號線連接輸入和輸出。在卡儂公頭的2腳和3腳之間并聯入一個33nF的電容,這個電容量接近于常見話筒線在距離達到400米后的線間電容的中間值,用于模擬長距離傳輸時的可能存在的線間電容。在如此短的線材中,我們可以忽略線材本身的電阻和電感。傳輸電路的模型可簡化為:

圖2:超短距離模擬音頻信號傳輸線纜的集總參數電路模型
該電路的總電阻為

需要說明的是,電路模型中的電阻(R)與設備參數中的阻抗(Z)是不同的概念。實測中,測試設備的阻抗值略大于電阻值,可以直接用于電阻值的計算。讀者應注意區別概念,避免由此造成的混淆。
由上述公式可以計算得到分頻頻率為:
我們按照此設置,用AP515測試儀來測試該傳輸電路的頻率響應圖。為了顯示線間電容對高頻信號的影響,我們將測試的頻率范圍設置為20 Hz -80 kHz。實測結果如下圖。

圖3:0.5m信號線,在卡儂頭2腳(熱端)和3腳(冷端)并聯一個33nF電容的幅頻響應。
Zout=100Ω,Zin=200 kΩ
通過頻率響應圖我們可以看出實際的-3dB衰減頻率為48.9 kHz,與上式的計算結果48.28 kHz基本符合。同時我們看到在通常所說的音頻上限頻率20 kHz處,衰減約為-0.7dB。絕大多數時候,這種高頻的衰減可以接受,然而靈敏的音響師耳朵可能會對這樣的衰減有所察覺。
輸出阻抗問題
在保持上述傳輸線路不變的情況下,我們僅僅在測試儀中將輸出阻抗調整為600Ω,結果將會發現驚人的變化。

圖4:0.5m信號線,在卡儂頭2腳(熱端)和3腳(冷端)并聯一個33nF電容的幅頻響應
Zin=200 kΩ,Zout=100Ω與600Ω的對比。
可以看到,-3 dB衰減頻率為8.25 kHz,而在20 kHz的衰減達到-8.28 dB!這樣的衰減會丟失重要的高頻成分,使聲音完全失去色彩,是絕不可接受的。可是為什么會這樣?我們回到公式中計算一下,當輸出阻抗由100Ω調整到600Ω,電路總電阻為:

而-3 dB衰減頻率則為:
.png)
這和實測的8.25 kHz基本一致。通過這個電路模型輸出阻抗100Ω和600Ω的對比,我們發現高頻衰減的差別巨大,由此可知,阻抗問題在信號傳輸中的重要性!
600Ω的阻抗匹配,是早期電話傳輸技術和電子管音頻時代的歷史遺留概念,通過輸入、輸出和傳輸線纜的阻抗匹配達到功率的最大傳輸。在以固態電路為基礎的現代專業音頻行業,音頻信號的傳輸以電壓傳輸來實現,通過降低輸出端阻抗和提高輸入端阻抗達到電壓傳輸的最大化。因而在現代專業音頻設備中,信號輸出端的阻抗通常在50Ω-300Ω,以100Ω為典型值;而輸入端的阻抗典型值為10 kΩ– 20 kΩ。從原理到實測,都足以說明600Ω阻抗在現代專業音響領域并無立足之地,600Ω阻抗匹配對于專業音頻系統是偽命題。然而,至今仍有眾多音頻技術人員對此缺乏清晰的認識,行業內對此存在廣泛的誤解。
線材實測
為了直觀地呈現高頻損耗問題,我們采用Audio Precision AP515測試儀及數字電橋,對市面上較為常見的中高端品牌的5款話筒線進行測試對比。這其中既有進口品牌,也有國產品牌。為了尊重這些制造商的權益,我們隱去了這些線材的品牌型號,對它們進行隨機編號,依次為A、B、C、D、E。其中A、B、C、D 四款線均為兩芯+屏蔽的結構,E為四芯星絞線+屏蔽的結構。
在小型演出中,信號線的長度通常不會超過100米,在這個長度范圍內,專業級的設備和線材的高頻衰減一般不太明顯。而在大型系統中,如在體育場做分散的擴聲系統,信號線的總長度可能達到400米甚至更長,這時高頻的衰減可能非常明顯。為了模擬長距離模擬信號傳輸的情況,每款被測線材的長度均為400米。為了盡可能減小接插件質量對測試的影響,全部線材接頭采用Neutrik 系列卡儂插頭并進行統一高質量的焊接。

表1:測試環境與測試條件記錄表

圖5:線材測試對比現場圖
話筒線基本參數:
制造商一般會從三個方面給出產品的參數:
物理參數:包括導體材料、導體直徑、絕緣材料、護套顏色、線材外徑等
機械性能:包括拉伸斷裂力量、搖晃壽命、工作溫度等
電氣性能:包括導體電阻、屏蔽層電阻、導體間電容量、導體/屏蔽間電容量和絕緣承受電壓等。
顯然,線纜的電氣性能指標對于我們討論的高頻衰減最為關鍵。為了了解這幾款線材的電氣性能,我們把各款線材的官網資料查詢的參數與實測數據作對比,具體見表2。請注意各項數據的單位不一致。

表2:五款線材的電氣性能參數官網與實測數據對比,注意單位的區別。
從上表中可以看出,各款線材的實測參數和官網參數雖然各有出入,但總體上符合,測量設備和測試環境可能是導致這些差別的原因所在。在了解這些電氣性能數據之上后,我們分別測試在同樣環境同樣條件下各款線材的幅頻響應的差別。我們將輸出阻抗設置為100Ω,輸入阻抗設置為200 kΩ,這比較接近于現實中音頻信號傳輸的電路阻抗值。

圖6:五款線材的幅頻響應(20 Hz -80 kHz),Zout=100Ω,Zin=200 kΩ。
可以看出表現最好的是D,在20 kHz衰減僅為-0.04 dB;A、B、D三款線比較接近,在音頻頻率范圍內均無明顯衰減,是實際使用中推薦使用的,基本不會造成音質的可聽變化。
表現最差的是E,在20 kHz衰減達到-1.47dB;其次是C在20 kHz衰減約為-1dB。這里應該分別考慮這兩款線材,上文提到,E號線的導體結構與其他四款不同,是四芯星絞線,導線多了之后,線間電容自然會較大,因此高頻的衰減就會顯得比較突出。C號線和A、B、D一樣屬于兩芯屏蔽線,在表2中可以看到其電氣性能,特別是導線間電容要高于其他三款,反映在幅頻響應上的差異也是比較明顯的。現實使用中,這樣的衰減導致音響系統的頻率響應變差,高頻音色會變得黯淡。
需要指出的是,為了便于對比不同線材的高頻衰減特性,這里的幅頻響應曲線是以1 kHz為參考(即1kHz=0 dB)作歸一處理的。實際上,每款線材的電平損耗是不一致的,可以通過測量線材的增益來評估。

圖7:五款線材的增益對比圖
理論上,話筒線的電平損耗基本和導體的直流電阻成正比,導體直流電阻越高,電平損失越大。實測表明這五款話筒線的電平損耗是基本一致的,這是因為盡管導體的直流電阻有些差異,但是相對于輸出和輸入阻抗都是微乎其微的,因而電平衰減幾乎沒有差別。
通過以上兩幅測試對比,我們基本可以了解專業音頻系統中話筒線對信號傳輸質量的影響,主要表現在高頻的衰減上。而對于非專業設備、輸出阻抗設計不合理或被錯誤設置到很高的情況下,會發生怎樣的改變?
我們將測試儀器的輸出阻抗由100Ω提高到600Ω,來模擬較高輸出阻抗設備的信號傳輸的情況。

圖8:五款線材的幅頻響應(20 Hz -80 kHz),Zout=600Ω,Zin=200 kΩ
圖中可以看到,輸出阻抗為600Ω時,所有五款線材在音頻范圍內都有明顯的衰減,傳輸線路的幅頻響應看上去像是專門設計的低通濾波器了。表現最好的是D號線,其截止頻率為11.3 kHz,最差的是E號線,截止頻率在5.4 kHz。這樣的高頻衰減,在實際的系統中當然是決不允許的。好在這種情況在高品質的專業級音頻設備中通常不會發生,這些設備通常有設計合理的輸出阻抗。
而在劣質設備或者非專業設備中,輸出阻抗可能很高,這種高輸出阻抗的設備是不能夠支持信號的長距離傳輸的。
解決方案與注意事項
在應用中,大規模的音響系統的信號線布線長度經常會超過100米,有時可能超過400米,如體育場作分散環形擴聲系統、大型活動多個分會場的聲音互聯。在長距離信號傳輸中,應該要了解信號線的線間電容及設備阻抗對模擬音頻信號傳輸質量的影響,并從以下幾點避免高頻衰減導致的音質劣化。
1. 選擇低電容線材
正規廠家的產品資料都會給出話筒線導體間電容等電氣參數,查看、對比這些參數,選擇低電容線材可以減小高頻衰減問題。對于未能給出基本電氣參數的產品要謹慎。
2.選用輸出阻抗低的設備,或者采用線路驅動器、阻抗轉換設備
專業音頻設備的輸入輸出接口的阻抗屬于基本參數,平時應注意查看設備的阻抗參數。長距離應用時,選擇輸出阻抗低的設備。
線路驅動器或者DI盒可以進行阻抗轉換。這類設備的輸入阻抗極高,可以有效地從上級設備獲得電壓信號;輸出阻抗較低,可以驅動信號進行長距離傳輸。很多樂器(包括專業高端的樂器)的輸出接口為高阻抗、非平衡輸出,在接入音響系統時,務必采用DI盒進行阻抗轉換和平衡轉換,確保最好的音頻傳輸質量,減小高頻信號的衰減、電平損失、電磁干擾等問題。遠距離的模擬信號傳輸,可以在系統中加入線路驅動器,這類設備的輸出阻抗極低,可以減小遠距離傳輸的高頻衰減。
3.采用數字傳輸方案
數字音頻信號的傳輸在原理上和模擬信號傳輸不同,在一些超長距離(達到或超過1km)的模擬音頻傳輸中,即便采用優質的線材也無法避免高頻衰減和電磁干擾。數字傳輸技術的優勢可以避免這樣的問題,是超遠距離信號傳輸的更佳選擇。
|
| |
|
|
|
|
|